内蒙古宝隆能源有限公司120万吨/年选煤厂项目竣工环境保护验收监测报告表
建设单位:内蒙古宝隆能源有限公司
编制日期:2019年10月
建设单位:内蒙古宝隆能源有限公司
法人代表:王和珍
联系电话:15049592999
传真:
邮编:014300
地址:鄂尔多斯市达拉特旗风水梁镇石匠窑村
编制单位:
法人代表:
电话:
传真:
邮编:
地址:
表一
建设项目名称 | 内蒙古宝隆能源有限公司120万吨/年选煤厂项目 |
建设单位 | 内蒙古宝隆能源有限公司 |
建设项目性质 | 新建 |
建设地点 | 内蒙古自治区鄂尔多斯市达拉特旗风水梁镇内蒙古宝利煤炭有限公司煤矿二采区工业场地 |
主要产品名称 | 大块煤、中块煤、小块煤、沫煤 |
实际生产能力 | 120万吨/a |
建设项目环评时间 | 2019年5月 | 开工时间 | 2019年7月 |
建成投产 | 2019年9月20日 | 验收现场 监测时间 | 2019年9月26日-27日 |
环境影响评价审批部门 | 鄂尔多斯市生态环境局 鄂环评字【2019】139号 | 环境影响评价单位 | 重庆市丰达环境影响评价有限公司 |
投资总概算 (万元) | 1800 | 环保投资(万元) | 283 | 比例(%) | 15.72 |
实际总投资 (万元) | 1800 | 实际环保投资(万元) | 500 | 27.78 |
验收监测依据 | 1、国务院关于修改《建设项目环境保护管理条例》国务院第682号令,2017年10月1日施行; 2、《建设项目竣工环境保护验收暂行办法》国环规环评【2017】4号,2017年11月20日发布实施 3、《建设项目竣工环境保护验收技术指南 污染影响类》(中华人民共和国生态环境部 公告[2018]9号文,2018年5月16日 4、《中华人民共和国大气污染防治法》(2018年10月26日实施); 5、《中华人民共和国环境噪声污染防治法》(2018年12月29日实施); 6、《中华人民共和国水污染防治法》(2018年1月1日实施) 7、《中华人民共和国固体废物污染环境防治法》(2016年11月7日实施) 8、《内蒙古宝隆能源有限公司120万吨/年选煤厂项目环境影响评价报告表》2019年5月; 9、《内蒙古宝隆能源有限公司120万吨/年选煤厂项目环境影响评价报告表的批复》(鄂尔多斯市生态环境局 鄂环评字【2019】139号; 10、《建设项目竣工环境保护验收监测委托书》; 11、现场调查资料、现场监测数据及内蒙古宝隆能源有限公司提供的相关数据。 |
验收监测评价标准、标号、级别、限值 | 1、项目无组织废气排放执行《煤炭工业污染物排放标准》(GB20426-2006)表5中煤炭工业大气污染物无组织排放限值(监控点与参考点浓度差值1.0mg/Nm3); 2、噪声执行《工业企业厂界环境噪声排放标准》(GB12348-2008)中2类标准限值(昼间60dB(A),夜间50dB(A))。 |
表二
2工程概况 2.1项目建设背景 内蒙古宝隆能源有限公司位于内蒙古自治区鄂尔多斯市达拉特旗风水梁镇石匠窑村。2019年5月,由重庆市丰达环境影响评价有限公司编制完成《内蒙古宝隆能源有限公司120万吨/年选煤厂项目环境影响报告表》;2019年7月18日,鄂尔多斯市生态环境局批复了该项目环评报告表(鄂环评字【2019】139号)。 2.2项目基本情况 项目名称:内蒙古宝隆能源有限公司120万吨/年选煤厂项目 项目性质:新建 建设地点:本项目位于内蒙古自治区鄂尔多斯市达拉特旗风水梁镇内蒙古宝利煤炭有限公司煤矿二采区工业场地,根据实地察看与Google卫星云图进行对比得地理坐标为:东经:110°17'20.59";北纬:39°52'55.93",具体地理位置、厂区平面图见图2、图3。 建设单位:内蒙古宝隆能源有限公司 2.3建设内容 本项目主要建设内容包括一条年选煤120万吨的复合式干法选煤生产线、生产车间、煤储棚。 |
表1项目组成 类别 | 项目 | 环评要求建设内容 | 实际建设内容 | 符合性说明 | 主体工程 | 生产车间 | 1座,长190m,宽87m,最大檐高21.00m,为钢结构建筑物,保温压型彩板围护。内设分选系统、破碎系统。 | 建设1座钢结构的封闭生产车间,占地面积约为16530m2,生产车间内配备1套风选脱硫系统、1套破碎系统。 | 符合环评要求 | 储运工程 | 原煤、产品煤、矸石储棚 | 2座,分别长95m,宽87m,采用钢筋混凝土框架结构,外围护为压型彩钢板,为全封闭结构。内部采取分区储存,产品煤储量约为30000t,可储存260t矸石。 | 共建设2座全封闭的钢结构煤储棚,占地面积分别为8265m2,总占地面积约16530m2,储棚内部采取分区储存,产品煤储存量约为3万t,矸石存储量约为260t。 | 符合环评要求 | 运输 | 汽运 | 运输道路要求硬化。场内运输路面宽度7m,全长150m;场外运输路面宽度4m,全长200m。 | 厂内运输道路长约150m,路面宽约7m;场外运输道路长约200m,路面宽约4m,均采用洒水车进行洒水降尘。 | 符合环评要求 | 皮带 | 设置全封闭皮带运输系统,用于输送产品至其车间。 | 本项目皮带输送栈桥均置于全封闭的生产车间内。 | 皮带输送栈桥均置于全封闭的生产车间内 | 辅助工程 | 办公生活区 | 租赁民房。 | 本项目租赁的民房用于办公生活。 | 符合环评要求 | 公用工程 | 供水 | 生产用水由内蒙古宝利煤炭有限责任公司煤矿疏干水提供。 | 生产用水由内蒙古宝利煤炭有限责任公司煤矿疏干水提供。 | 符合环评要求 | 供电 | 供电依托内蒙古宝利煤炭有限责任公司宝利露天煤矿(1.20Mt/a)改扩建项目供给。 | 供电依托内蒙古宝利煤炭有限责任公司宝利露天煤矿(1.20Mt/a)改扩建项目供给。 | 符合环评要求 | 供热 | 生产车间不需要供热,采用电暖气。 | 生产车间不需要供热,因此未建设供热锅炉,办公生活区采用电暖器进行供暖。 | 符合环评要求 | 排水 | 本项目废水处理依托内蒙古宝利煤炭有限责任公司宝利露天煤矿(1.20Mt/a)改扩建项目现有污水处理站。 | 本项目产生的生活污水经化粪池收集后依托内蒙古宝利煤炭有限责任公司宝利露天煤矿(1.20Mt/a)改扩建项目污水处理站进行处理。 | 符合环评要求 | 环保工程 | 废气 | 原煤卸车 | 全封闭原煤储棚+卸车区上方设水雾喷头抑尘,要求喷淋覆盖率达98%。 | 建设全封闭的原煤储棚,并在卸车区上方安装喷淋装置进行洒水降尘。 | 符合环评要求 | 筛分破碎系统 | 全封闭+集尘罩(1台)+布袋除尘器(1台)+15m高排气筒(1根)+局部喷淋。 | 项目筛分、破碎系统位于全封闭的生产车间内,生产车间内安装喷淋设施进行洒水降尘。 | 生产车间顶部安装喷淋装置进行性洒水降尘 | 煤炭堆存 | 堆存区上方设置水雾喷淋设施,要求喷淋覆盖率达98%。 | 煤炭的存储区和转运区上方均设置喷淋装置,进行洒水降尘。 | 符合环评要求 | 煤炭转运 | 各转载点及上方设置水雾喷头+全封闭煤炭皮带输送,要求喷淋覆盖率达98%。 | 废水 | 地面冲洗废水 | 地漏收集依托内蒙古宝利煤炭有限责任公司现有污水处理站。 | 地漏收集依托内蒙古宝利煤炭有限责任公司现有污水处理站。 | 符合环评要求 | 生活污水 | 生活污水依托宝利煤矿现有污水处理系统处理后全部回用。 | 项目产生的生活污水经化粪池收集后拉运至宝利煤矿污水处理站进行处理,最终用于厂区洒水降尘。 | 符合环评要求 | 噪声 | 选用低噪声设备,基础减振,设备均在车间内布置。 | 本项目选用低噪声设备,并在底部安装了基础减振,各生产设备均置于全封闭的生产车间内。 | 符合环评要求 | 固废 | 煤矸石 | 矸石暂存于矸石棚,最终外售电厂。 | 产生的矸石暂存于储棚内,不定期对煤矸石进行外售。 | 符合环评要求 | 绿化 | 厂区内地面“非硬即绿”,其中厂区绿化面积2000m2,主要对厂界四周及生产、生活区之间进行绿化隔离。 | 本项目厂区采用1台25t的洒水车进行洒水降尘,目前预留绿化面积约2000m2,待来年以种植低矮灌木进行绿化。 | 项目预留绿化面积约2000m2,待来年以种植低矮灌木进行绿化。 |
|
表三
2.4原辅材料及能源消耗 项目原辅材料及能源消耗见下表2。 表2原辅材料及能源消耗一览表 序号 | 原料名称 | 吨产品消耗量 | 年用量 | 1 | 原煤 | -- | 120万吨 | 2 | 电 | 2.4kWh/t | 288万kWh | 3 | 水 | -- | 18000吨 |
2.5项目总投资及环保投资 本项目总投资1800万元,其中环保投资为500万元,占项目总投资的27.78%。见表3。 表3 环保投资一览表 类型 | 污染工序 | 环保措施 | 投资(万元) | 实际环保措施 | 实际投资(万元) | 废气 | 原煤卸车 | 全封闭原煤储棚1座+卸车区上方设水雾喷头抑尘,要求喷淋覆盖率达98%。 | 80 | 建设全封闭钢结构生产车间1座、全封闭钢结构煤储棚2座。生产车间内建设破碎筛分系统,生产车间顶部安装喷淋设施对车间内进行洒水降尘。 | 442 | 原煤筛分破碎 | 集尘罩1个+布袋除尘器1套+15m高排气筒1根+局部喷淋 | 30 | -- | 煤炭堆存 | 堆存区上方设置水雾喷淋设施,要求喷淋覆盖率达98%。 | 30 | 2座煤储棚内对原煤、产品煤、沫煤和矸石进行分区堆放,煤棚内上方设置喷淋设施。 | 全封闭产品棚2座 | 20 | 全封闭式原煤储棚 | 20 | 封闭式矸石棚 | 15 | 煤炭转运 | 各转载点及上方设置水雾喷头+全封闭煤炭皮带输送,要求喷淋覆盖率达98%。 | 30 | -- | -- | 厂区 | -- | -- | 厂区配备1台25t的洒水车,对厂区进行洒水降尘。 | 8 | 噪声 | 生产过程 | 采用低噪声设备,基础减震 | 50 | 采用低噪声设备,并在生产设备底部安装基础减振。 | 50 | 废水 | 生活污水 | -- | / | 项目产生的生活污水依托内蒙古宝利煤炭有限责任公司污水处理站进行处理,最近用于洒水降尘。 | / | 固废 | 矸石 | 矸石暂存于矸石棚,最终外售电厂 | / | 暂存于煤棚内,不定期对煤矸石进行外售。 | / | 生活垃圾 | 定期集中收集后交由环卫部门处理 | / | 项目产生的生活垃圾经集中收集后由园区环卫部门处置。 | / | 绿化 | 厂区绿化 | 绿化面积2000m2 | 3 | -- | / | 合计 | 283 |
| 500 |
2.6劳动定员及工作制度 本项目劳动定员30人,年工作时间330d。 2.7主要工艺流程 宝利煤矿的原煤采用汽车拉运至本项目厂区原煤储棚。原煤通过皮带输送栈桥进入振动筛,将筛选的产品煤通过皮带输送至成品堆场,待存外售。将剩余的煤进入破碎机破碎成粉末后得到沫煤,输送至成品堆场待存外售。将筛选出的煤矸石暂存于分区堆场暂存,最终进行综合利用。 项目采用复合式干法选煤工艺,选出的产品有大块煤、中块煤、小块煤和沫煤。
图1 工艺流程 2.8工程变动情况 本项目主要工程变动情况见下表4。 表4工程变动情况一览表 工程组成 | 项目 | 环评要求建设内容 | 工程变更后的建设内容 | 变动情况说明 | 环保工程 | 废气 | 全封闭+集尘罩(1台)+布袋除尘器(1台)+15m高排气筒(1根)+局部喷淋。 | 项目筛分、破碎系统位于全封闭的生产车间内,生产车间内安装喷淋设施进行洒水降尘。 | 不属于重大变更 | 按要求设置视频监控点位系统,保证监控区域无死角和监控画质高清晰,并于鄂尔多斯市环境网络化监管平台联网。 | 项目未安装在线监控系统。 | 不属于重大变更 | 绿化 | 厂区内地面“非硬即绿”,其中厂区绿化面积2000m2,主要对厂界四周及生产、生活区之间进行绿化隔离。 | 本项目厂区采用1台25t的洒水车进行洒水降尘,目前预留绿化面积约2000m2,待来年以种植低矮灌木进行绿化。 | 不属于重大变更 |
综上所述,本项目不涉及工程重大变更情况。 |
表四
图2地理位置
图3平面布置图
 

图4监测布点图 *注:图中风向不指示方向,噪声布点按照向上为北。 
|
表五
3主要污染源及污染防治措施 1、废气 本项目产生的废气主要为原煤在拉运、装卸、堆存过程中产生的粉尘和原煤在破碎、筛分过程中产生的粉尘。 (1)本项目建设1座全封闭的生产车间,破碎、筛分过程在全封闭的生产车间内进行,生产车间顶部安装喷淋设施进行洒水降尘。 本项目建设2座全封闭的钢结构储煤棚,煤棚内对原煤、产品煤、沫煤及矸石采取分区堆放,原煤装卸等过程均在封闭煤棚内进行,并在煤棚上方安装喷淋装置对棚内进行洒水降尘。 (2)供暖 本项目生产车间内在生产运营过程中不需要进行供暖,因此未建设供暖锅炉。办公生活区租赁民房,采用电暖器进行供暖。
图5 全封闭生产车间、全封闭煤棚 
图6喷淋设施
图7皮带输送
图8 破碎设备
图9 25t洒水车 2、废水 本项目产生的废水包括生产废水、生活污水。 本项目选用复合式干法选煤工艺,生产过程未产生生产废水;生活污水产生量约为495t/a,经化粪池收集后依托内蒙古宝利煤炭有限责任公司已有污水处理站进行处理,最终用于厂区洒水降尘。
图10租赁的房屋
图11化粪池 3、噪声环境影响及防治措施 本项目建设全封闭的生产车间,破碎、筛分等产噪设备均置于封闭的生产车间内,并在设备底部安装基础减振设施。
图12 全封闭车间
图13 设备置于封闭车间内
图14 风选脱硫设备 4、固体废物 本项目产生的固体废物主要为煤矸石和生活垃圾。 (1)项目产生煤矸石约1万t/a,产生的煤矸石暂存于煤棚内的矸石存放区,不定期对煤矸石进行外售。 (2)项目产生的生活垃圾约为5t/a,产生的生活垃圾集中收集后由环卫部门进行处置。 |
表六
4.1环境影响评价报告表结论及建议 《内蒙古宝隆能源有限公司120万吨/年选煤厂项目环境影响报告表》,报告表主要结论与建议如下: (1)大气 本项目废气主要为原煤卸车工序粉尘、煤炭破碎及筛分工序粉尘、煤炭堆存过程粉尘及煤炭转运过程粉尘。全封闭原煤储棚1座+卸车区上方设水雾喷头抑尘;筛分破碎设置集尘罩2个+布袋除尘器1套+15m高排气筒1根+局部喷淋;堆存区上方设置水雾喷淋设施;各转载点及上方设置水雾喷头+全封闭煤炭皮带输送。经采取措施后对周围环境影响较小。 (2)废水 项目废水源主要为初期雨水。初期雨水经雨水收集池收集后依托内蒙古宝利煤炭有限责任公司已有污水处理站进行处理。经采取措施后对周围环境影响较小。 (3)噪声 项目运营期间,噪声源主要为振动筛、干选系统等设备,设备本身噪声级在90~100dB(A),在采取选用低噪声设备、基础减振、风机安装消声器和厂房隔声等措施后,噪声被控制在80dB(A)以下。项目在采取上述措施后,对周边区域声环境影响较小。 (4)固废 项目固体废物主要为煤矸石、除尘灰、雨水池底泥及生活垃圾。 项目生产矸石暂存于矸石棚,最终外售电厂;除尘灰产生量约1.396t/a,除尘灰成分为煤尘,掺入产品煤外售;雨水池底泥产生量约为1t/a,底泥成分为煤尘,收集后掺入产品煤外售。项目固废主要为职工生活垃圾,定期集中收集后交由环卫部门处理。综上所述,项目固废全部得到妥善处置,无固体废物外排,对周围环境产生的影响较小。经采取措施后对周围环境影响较小。 4.2环境影响评价报告表批复要求 2019年7月18日,鄂尔多斯市生态环境局以“鄂环评字【2019】139号”文对该项目环境影响报告表进行了批复,详见附件。 4.3环保措施落实情况 项目在运营期采取的环境保措施落实情况见表4。 表4环境保护措施落实情况一览表 序号 | 《环评》及批复要求 | 实际投入的环保措施 | 备注 | 1 | 认真落实《报告表》中提出的大气污染防治措施。原煤全部由运输车辆运至全封闭原煤棚,棚内设置喷淋洒水设施抑尘;筛分破碎设置集尘罩和布袋除尘器;在皮带转载点落料点处采用在导料槽两墙增加密闭挡帘并喷水的方式来防止煤尘的外逸;产品煤进入全封闭储煤棚;煤炭厂内采取全封闭输送方式。通过采取以上措施,确保粉尘排放满足《煤炭工业污染物排放标准》(GB20426-2006)中相应限值要求。按要求设置视频监控点位系统,保证监控区域无死角和监控画质高清晰,并于鄂尔多斯市环境网络化监管平台联网。加强运营期管理,减少扬尘污染。 | 1.本项目建设1座全封闭的生产车间,破碎、筛分过程在全封闭的生产车间内进行,生产车间顶部安装喷淋设施进行洒水降尘。 本项目建设2座全封闭的钢结构储煤棚,煤棚内对原煤、产品煤、沫煤及矸石采取分区堆放,原煤装卸等过程均在封闭煤棚内进行,并在煤棚上方安装喷淋装置对棚内进行洒水降尘。 2.本项目生产车间内在生产运营过程中不需要进行供暖,因此未建设供暖锅炉。办公生活区租赁民房,采用电暖器进行供暖。 3.项目未安装在线监控设备。 | 项目未安装在线监控设备 | 2 | 强化废水处理与回用,实行雨污分流,清污分流,生活污水依托宝利煤矿现有污水处理系统处理后全部回用,厂区按规范采取防渗措施,避免废水下渗对区域地下水产生影响,厂区内地面须硬化,四周设置导流渠对雨水进行收集,最终进入沉淀池沉淀后回用,避免雨水冲刷对周边环境造成影响。 | 本项目产生的废水包括生产废水、生活污水。 本项目选用复合式干法选煤工艺,生产过程未产生生产废水;生活污水产生量约为495t/a,经化粪池收集后依托内蒙古宝利煤炭有限责任公司已有污水处理站进行处理,最终用于厂区洒水降尘。 项目厂区采用1台25t的洒水车进行洒水降尘。 | 符合环评及批复要求 | 3 | 应采取妥善控制措施,确保厂界噪声满足《工业企业厂界环境噪声排放标准》(GB12348-2008)2类标准要求。 | 本项目建设全封闭的生产车间,破碎、筛分等产噪设备均置于封闭的生产车间内,并在设备底部安装基础减振设施。 | 符合环评及批复要求 | 4 | 妥善处置各类固体废弃物、生活垃圾集中收集后交由当地环卫部门统一处置;煤矸石外售综合利用,综合利用不畅时,须严格按照《煤矸石综合利用管理办法》(2014年修订版)要求进行处置,除尘煤尘和沉淀池底泥全部外售。以上固废均不得乱弃。 | 1.本项目产生煤矸石约1万t/a,产生的煤矸石暂存于煤棚内的矸石存放区,不定期对煤矸石进行外售。 2.本项目生活垃圾产生量约为5t/a,集中收集后由环卫部门进行处置。 | 符合环评及批复要求 | 5 | 建设单位须强化环境风险防范。制定环境风险应急预案,落实环境风险事故防范措施,提高事故风险防范和污染控制能力。 | 本项目编制了突发环境事件应急预案,并到达拉特旗环境保护局进行了备案(备案编号:150621-2019-023-L)。 | 符合环评及批复要求 |
|
附 件
附件1:委托书;
附件2:《内蒙古宝隆能源有限公司120万吨/年选煤厂项目环境影响报告表的批复》;
附件3:突发环境事件应急预案备案表;
附件4:全封闭煤棚建设及生产运行项目合作协议;
附件5:内蒙古宝隆能源有限公司120万吨/年选煤厂项目验收监测报告;
附件6:内蒙古宝隆能源有限公司120万吨/年选煤厂项目验收“三同时”表。
委 托 书
现根据国家环境保护总局令第13号《建设项目竣工环境保护验收管理办法》中相关规定,委托你公司开展内蒙古宝隆能源有限公司120万吨/年选煤厂项目的竣工环境保护验收监测工作,望尽快开始。
内蒙古宝隆能源有限公司
2019年9月
5.1验收监测内容及方法 1、监测内容 监测项目、点位、频次详细内容见表5。 表5 监测点位及监测项目 项目类型 | 检测因子 | 采样布点 | 检测频次 | 执行标准 | 无组织废气 | 颗粒物 | 1个参考点、 3个监控点 | 连续监测2天,每天监测4次。 | 《煤炭工业污染物排放标准》(GB20426-2006)表5标准限值(监控点与参考点浓度差值)。 | 噪声 | 厂界噪声 | 厂界四周布设4个点位 | 连续监测2天(昼间、夜间各一次); | 《工业企业厂界噪声排放标准》(GB12348-2008)中2类标准限值。 |
2、监测依据及执行标准 (1)《大气污染物无组织排放监测技术导则》(HJ/T55-2000); (2)《环境空气 总悬浮颗粒物的测定 重量法》(GB/T15432-1995); (3)《煤炭工业污染物排放标准》(GB20426-2006)表5标准限值; (4)《工业企业厂界噪声排放标准》(GB12348-2008)中2类标准限值。 5.2监测质量保证和质量控制 监测的质量保证按照环保部发布的《环境监测质量管理技术导则》(HJ630-2011)中的要求进行全过程质量控制。监测仪器经计量部门检定、校准并在有效期内使用,监测人员持证上岗,监测数据经三级审核。 厂界噪声监测严格按照《工业企业厂界环境噪声排放标准》(GB12348-2008)中要求进行。声级计测量前后进行校准且校准合格。使用仪器见表6。 表6 项目使用仪器一览表 检测项目 | 使用仪器 | 备注 | 颗粒物 | 综合大气采样器KB-6120 |
| 噪声 | AWA5688型多功能声级计 |
|
5.3废气监测结果 5.3.1无组织废气监测结果 内蒙古腾烽环境检测有限公司于2019年9月26日—27日对该项目无组织废气进行了现场监测,监测结果见下表7。 表7 无组织废气监测结果 监测 项目 | 检测 日期 | 监测点位 | 样品 编号 | 检测结果(mg/m3) | 第1次 | 第2次 | 第3次 | 第4次 | 限值 | 是否 达标 | 颗 粒 物 | 2019年9月26日 | 参考点 | FQ-(01-04)-(01-04) | 0.209 | 0.294 | 0.261 | 0.275 | 1.0 | 是 | 监控点1 | 0.845 | 0.838 | 0.611 | 0.724 | 监控点2 | 0.743 | 0.812 | 0.839 | 0.739 | 监控点3 | 0.629 | 0.904 | 0.906 | 0.878 | 2019年9月27日 | 参考点 | FQ-(01-04)-(05-08) | 0.352 | 0.269 | 0.363 | 0.289 | 监控点1 | 0.634 | 0.909 | 0.830 | 0.686 | 监控点2 | 0.754 | 0.880 | 0.902 | 0.622 | 监控点3 | 0.757 | 0.916 | 0.835 | 0.620 | 执行标准 | 《煤炭工业污染物排放标准》(GB20426-2006)表5标准限值 (监控点与参考点浓度差值) |
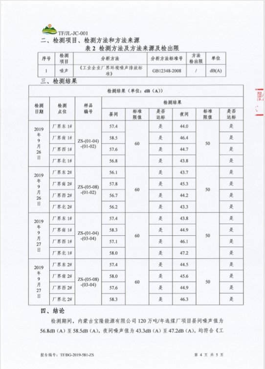
检测结果显示,无组织废气排放监控点与参考点浓度差值最大值为0.647mg/m3,满足《煤炭工业污染物排放标准》(GB20426-2006)表5标准限值要求(1.0mg/m3)。 5.3.2噪声监测结果 内蒙古腾烽环境检测有限公司于2019年9月26日—27日对该项目厂界噪声进行了现场监测,具体监测结果见下表8。 表8噪声监测结果Leq单位:dB(A) 检测结果(单位:dB(A)) | 检测 日期 | 检测 点位 | 样品 编号 | 检测结果 | 昼间 | 标准 限值 | 是否 达标 | 夜间 | 标准 限值 | 是否 达标 | 2019 年 9 月 26 日 | 厂界东1# | ZS-(01-04)-(01-02) | 57.4 | 60 | 是 | 44.0 | 50 | 是 | 厂界南1# | 58.5 | 是 | 46.4 | 是 | 厂界西1# | 57.6 | 是 | 44.7 | 是 | 厂界北1# | 56.8 | 是 | 43.8 | 是 | 2019 年 9 月 26 日 | 厂界东2# | ZS-(05-08)-(01-02) | 56.1 | 60 | 是 | 43.7 | 50 | 是 | 厂界南2# | 57.8 | 是 | 45.3 | 是 | 厂界西2# | 56.7 | 是 | 44.2 | 是 | 厂界北2# | 56.2 | 是 | 43.3 | 是 | 2019 年 9 月 27 日 | 厂界东1# | ZS-(01-04)-(03-04) | 57.4 | 60 | 是 | 43.8 | 50 | 是 | 厂界南1# | 58.3 | 是 | 44.9 | 是 | 厂界西1# | 57.1 | 是 | 46.1 | 是 | 厂界北1# | 58.0 | 是 | 47.2 | 是 | 2019 年 9 月 27 日 | 厂界东2# | ZS-(05-08)-(03-04) | 57.4 | 60 | 是 | 44.5 | 50 | 是 | 厂界南2# | 58.0 | 是 | 45.6 | 是 | 厂界西2# | 57.6 | 是 | 44.9 | 是 | 厂界北2# | 58.3 | 是 | 46.3 | 是 |
噪声检测结果显示,昼间噪声值为56.1~58.5B(A),夜间噪声值为43.3~47.2dB(A),参照《工业企业厂界环境噪声排放标准》(GB 12348-2008)2类限值(昼间60dB(A),夜间50dB(A)),监测期间,昼间、夜间噪声值均符合要求。 5.5建设单位环保组织机构及规章管理制度 本项目根据《建设项目环境保护管理条例》及有关文件精神,结合工程的实际情况,在项目的立项、施工、竣工等过程中,基本执行了环境管理程序。在执行国家建设项目环境管理制度的过程中,基本保证了环保措施设施与主体工程同时设计、同时施工、同时投产使用。 5.6建设期间和试生产阶段,是否发生了扰民和污染事故 项目在建设期间和试运营阶段未发生过扰民和污染事件。 |